-
-
-
Tổng tiền thanh toán:
-
Tìm hiểu nguyên lý hoạt động và sơ đồ đấu dây của 6 mạch đảo chiều động cơ 3 pha
02:28 30/05/2022
Động cơ cảm ứng 3 pha hoạt động dựa vào lực tác động giữa từ trường quay và dòng điện bên trong roto. Để đảo chiều của động cơ 3 pha thì ta phải đổi chiều của từ trường quay bằng cách đổi thứ tự cấp điện vào các pha động cơ. Hãy cùng MITACO tìm hiểu nguyên lý hoạt động và sơ đồ đấu dây cụ thể của 6 loại mạch đảo chiều động cơ 3 pha trong bài viết dưới đây nhé!
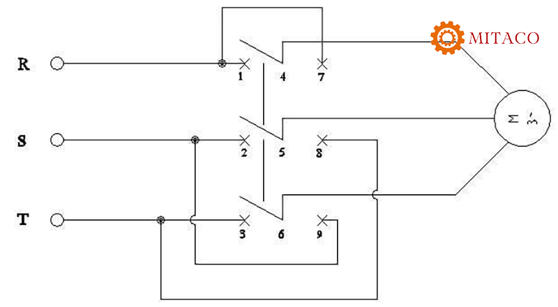
Mạch đảo chiều động cơ 3 pha dùng công tắc nguồn 3 vị trí
Nguyên lý hoạt động
Mạch đảo chiều động cơ 3 pha dùng công tắc nguồn 3 vị trí để điều khiển và tinh chỉnh 2 contactor (công tắc tơ). Một công tắc tơ đấu dây chạy thuận, công tắc tơ khác đấu dây đảo 2 pha để chạy nghịch.
Sơ đồ đấu dây

Mạch đảo chiều động cơ 3 pha dùng biến tần
Biến tần là thiết bị dùng để điều khiển và tinh chỉnh vận tốc, khởi động mềm. Ta cũng có thể sử dụng biến tần để đảo chiều động cơ.
Nguyên lý hoạt động
Cấp điện trực tiếp vào 3 chân nguồn của biến tần (R, S, T) và nối trực tiếp 3 dây của động cơ vào các ngõ ra của biến tần (U, V, W). Sử dụng công tắc 3 vị trí để điều khiển biến tần chạy thuận hoặc chạy nghịch.
>>>Xem thêm: Tìm hiểu động cơ không đồng bộ 3 pha - Cấu tạo và nguyên lý hoạt động
Sơ đồ đấu dây

Các thông số cơ bản
+ P00. 18 = 1: trả lại thông số thiết lập khởi đầu của nhà sản xuất
+ P00. 03 = 50, P00. 04 = 50: cài đặt tần số lớn nhất cho động cơ là 50Hz (mặc định)
+ P00. 11 = 5s: thời hạn tăng cường là 5 giây ( mặc định )
+ P00. 12 = 5s: thời hạn giảm tốc là 5 giây ( mặc định )
+ P01. 21 = 0: tắt chế độ tự động chạy lại sau khi mất điện.
>>>Tham khảo: Sơ đồ quấn dây motor 3 pha chính xác nhất
Mạch đảo chiều động cơ 3 pha dùng cầu dao đảo pha
Nguyên lý hoạt động
Khi cần gạt của cầu dao thay đổi vị trí (bên trên hoặc bên dưới) thì chiều cấp điện của động cơ thay đổi → chiều quay của động cơ thay đổi → động cơ được đảo chiều.
Sơ đồ đấu dây

Mạch đảo chiều động cơ 3 pha dùng PLC
Nguyên lý hoạt động
PLC là từ viết tắt của Programmable Logic Controller, nghĩa là Bộ điều khiển Logic có thể lập trình được. Mạch đảo chiều động cơ 3 pha dùng PLC sẽ hoạt động điều khiển đảo chiều thông qua những nút nhấn được liên kết với ngõ vào của PLC. PLC sẽ quét những ngõ vào để đọc trạng thái của nút nhấn, và dựa vào đó để hoạt động theo các chương trình đã được cài đặt sẵn.
Sơ đồ đấu dây

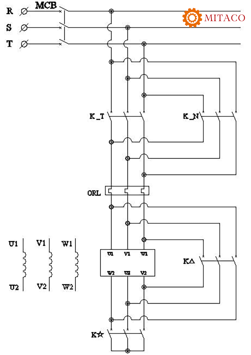
Mạch đảo chiều động cơ 3 pha sao tam giác
Nguyên lý hoạt động
Mạch đảo chiều động cơ 3 pha sao tam giác cũng hoạt động dựa vào các công tắc tơ thuận và nghịch. Khi nhấn nút chạy thuận thì công tắc tơ thuận đóng, động cơ CHẠY theo chiều thuận. Ngược lại, động cơ sẽ chạy theo chiều nghịch nếu nhấn nút nghịch.
Sơ đồ đấu dây

Mạch đảo chiều động cơ 3 pha dùng nút nhấn ON, OFF
Ở quy mô công nghiệp, ở những tủ điện lớn, người ta sử dụng 2 nút nhấn ON và OFF để điều khiển đảo chiều động cơ thay vì dùng công tắc nguồn.
Sơ đồ đấu dây
Hình bên dưới minh họa sơ đồ sử dụng 1 nút nhấn OFF và 2 nút ON để điều khiển chạy thuận và chạy nghịch cho động cơ. Ở đây, người ta mắc song song K1 với nút ON1, K2 song song với nút ON2 để duy trì trạng thái đóng của công tắc tơ sau khi nhả nút nhấn (do tiếp điểm của nút nhấn sẽ trả về vị trí ban đầu sau khi nhả nút nhấn).
>>>Tham khảo: Chi tiết cấu tạo động cơ không đồng bộ 3 pha

Nguyên lý hoạt động của mạch
Khi nhấn nút ON1 thì K1 đóng, động cơ chạy chiều thuận. Tiếp điểm thường đóng của K1 đóng tự giữ cho nút nhấn ON1. Lúc này thường đóng của K1 mở ra nên khi nhấn nút ON2 thì mạch vẫn hở, cuộn K2 không được cấp điện. Muốn đảo chiều, ta nhấn nút OFF để dừng động cơ. Nhấn nút ON2 để K2 đóng, động cơ sẽ chạy theo chiều ngược lại. Rơle trong mạch điện có tác dụng ngắt điện khi động cơ bị quá tải, giúp bảo vệ động cơ không bị quá nóng.
MITACO - Đơn vị cung cấp động cơ 3 pha chính hãng, giá tốt
Có thể thấy động cơ 3 pha có nhiều loại khác nhau và mỗi loại lại có ưu nhược điểm riêng. Bạn cần xác định nhu cầu của mình để lựa chọn loại động cơ 3 pha phù hợp. Tất nhiên, bạn cũng nên chọn động cơ của những thương hiệu uy tín để đảm bảo chất lượng.
Tất cả các sản phẩm động cơ 3 pha hay các thiết bị truyền động, bạn đều có thể tìm thấy ở MITACO - đơn vị chuyên phân phối thiết bị truyền động công nghiệp hàng đầu Việt Nam, với các thương hiệu nổi tiếng như Bonfiglioli, Dolin, Dongfang,Sumitomo… bạn nhé.
Trên đây là sơ bộ về nguyên lý hoạt động và sơ đồ đấu dây của 6 mạch đảo chiều động cơ 3 pha. Hy vọng bạn có thể áp dụng chúng để đảo chiều và khắc phục các sự cố động cơ quay ngược chiều đơn giản. Nếu có thêm bất kỳ thắc mắc hay cần sự trợ giúp, hãy liên hệ với MITACO để được hướng dẫn thêm.
Nội dung này chưa có bình luận, hãy gửi cho chúng tôi bình luận đầu tiên của bạn.